Yamamoto's Laboratory
ホーム
コンピューター
インターネット
研究内容
講義ノート
はじめに
Lesson
1.Numbers
2.Memory
3.RAM
4.Ports
5.Timer
6.ROM
7.8085A
8.Instruction
9.Monitor
10.Initialization
11.Display
12.Scan
13.Function
14.Keybord
Appendix
1.List
2.Detail
3.Flow chart
4.Diagram
5.Layout
コンピューター
→
MPU基礎システム(はじめに)
→ Appendix 4
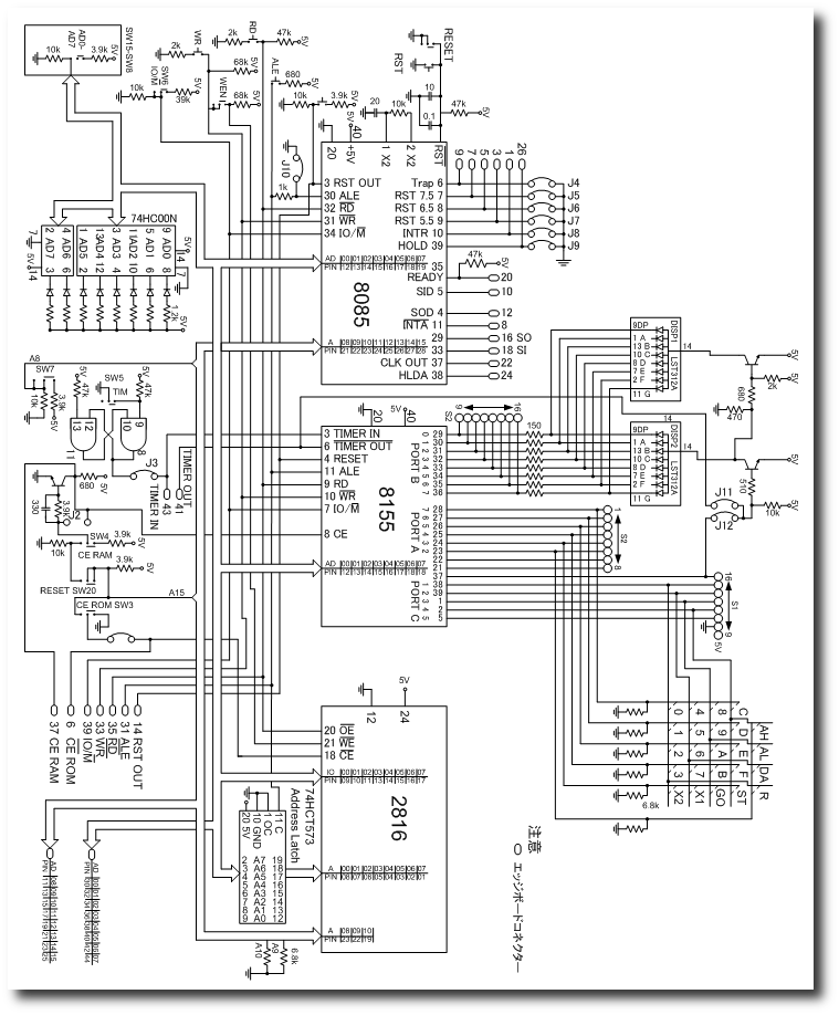
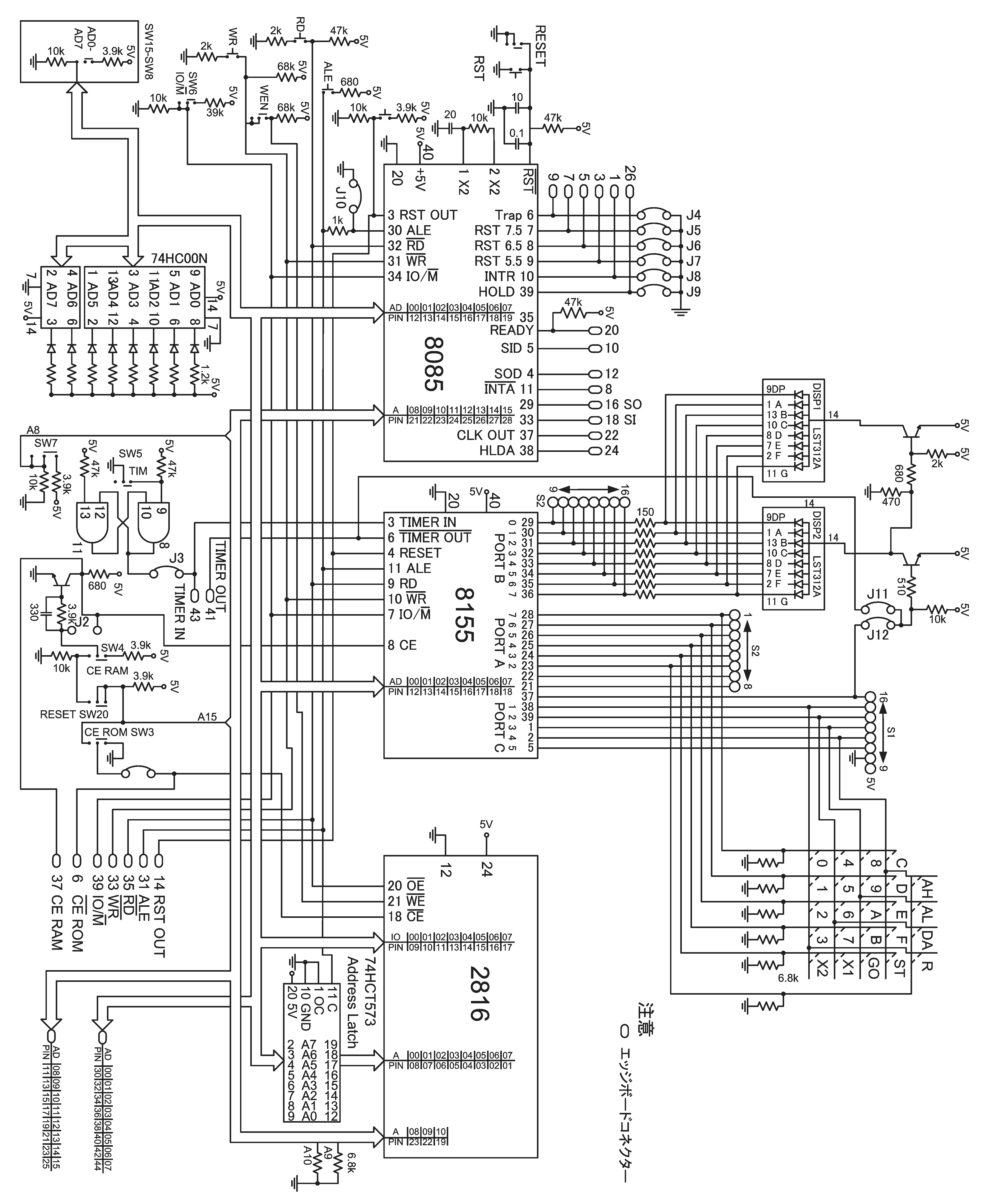
Appendix 4
Schematic Diagram
Elenco Electronics社
(参照:MM=8000のマニュアルの
APPENDIX 4
)
目次
Schematic Diagram
Schematic Diagram(MM-8000システムの回路図)
図2 8085の回路図(詳細は
ここ
)